首页
关于君创
产品中心
服务支持
成功案例
新闻中心
联系我们
以专业的技术服务,为多家电力、石化、冶金、水力企业提供优质产品
首页
>>
产品中心
>>
温度计热电阻系列
>>
热电阻
>>
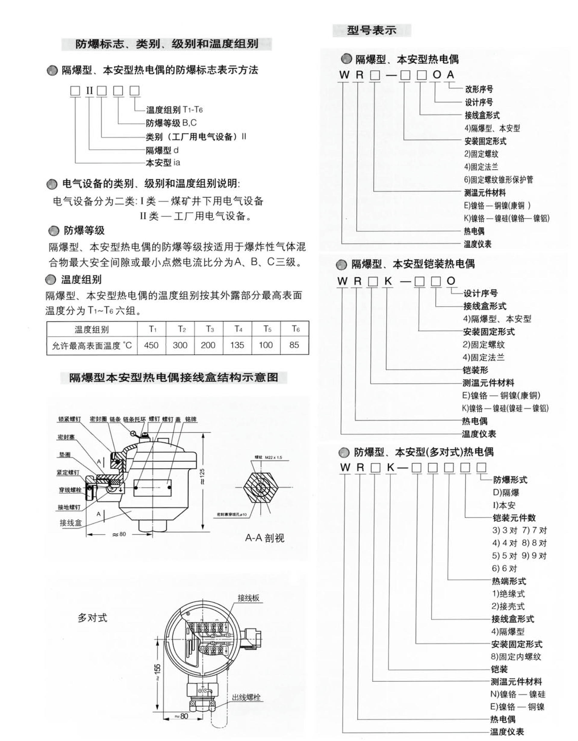
WR系列隔爆型、本安型热电偶
产品中心
法兰式阀门系列
焊接卡套式中高压阀门接头系列
温度计热电阻系列
温度计
热电阻
温度变送器
压力变送器
电站电力配件系列
直通/端直通接头系列
一体化污水处理器系列
详细说明
WR系列隔爆型、本安型热电偶
暂无价格
收藏
产品说明
相关产品
隔爆双金属温度计
电接点双金属温度计
双金属温度计套管
WREK、 WRNK、WRCK系列铠装热电偶
WR系列隔爆型、本安型热电偶
WR系列装配式热电偶
WR系列装配式热电偶
WR、WZ系列化工专用隔爆型热电偶、热电阻
WR.WZ系列化工专用热电偶热电阻
WR、WZ系列化工专用热电偶热电阻
服务热线:
028-84300366
公司邮箱:jckj73@126.com
公司地址:成都市成华区东三环路二段龙潭工业园内
产品中心
更多
一体化污水处理器
单向阀
球阀
不锈钢电动球阀
更多...
新闻中心
更多
公司新闻
行业资讯
行业百科
关于我们
更多
公司简介
企业文化
荣誉资质
组织架构
团队风采
联系我们
更多
成功案例
人才招聘
联系我们
电话直呼
028-84300366
13980956321
18080000529
15198014125
在线留言
发送邮件
企业位置
×
账号登录
登录
忘记密码
立即注册
更多登录方式